Цилиндр подвижного стола серии HLS (тип с поперечными роликами)
Цилиндр подвижного стола серии HLS (тип с поперечными роликами) Преимущества продукта
1. Тип перекрестного ролика: Тип перекрестного ролика, включающий цилиндр, обеспечивает высокую точность, высокую жесткость, высокую нагрузку, отличную линейность и допуск на отсутствие вращения.
2. Монтажный цилиндр с 3-х направлений: Сквозное отверстие для крепления корпуса. Монтажные отверстия корпуса обеспечивают 3 монтажных положения. Отверстия для штифтов для позиционирования.
3. Конструкция с двойным стержнем: двойной стержень удваивает выходную тягу.
4. Конструкция плавающего соединения: шток поршня не должен выдерживать дополнительный крутящий момент.
5. Монтаж заготовки с 2-х сторон.
Подробная информация о цилиндре подвижного стола серии HLS
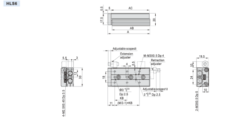
1. С пазами для магнитных переключателей: на боковой стороне корпуса цилиндра имеются пазы для магнитных переключателей, удобные для установки индукционного переключателя.
2. Доступны две модели (HLS/HLSL).
3. Доступны шесть размеров отверстия: Размер отверстия: 6,8,12,16,20,25.
Внутренняя структура цилиндра направляющего стола серии HLS (типа поперечных валков)


Элемент |
Материал |
Элемент |
Материал |
||
1 |
Плавающее соединение |
Углеродный сталь |
13 |
Магнитный держатель |
Латунь |
2 |
Бампер |
ТПУ |
14 |
Магнитная шайба |
НБР |
3 |
Винт |
Углеродистая сталь |
15 |
Магнит |
Спеченный металл |
4 |
Винт |
Углеродистая сталь |
|||
5 |
Крепежная пластина |
Алюминиевый сплав |
16 |
Поршневое уплотнение |
НБР |
6 |
Штоковое уплотнение |
НБР |
17 |
Поршень |
Латунь |
7 |
Передняя обложка |
Алюминиевый сплав |
18 |
C клип |
Стальная пружина |
8 |
НБР |
19 |
Задняя обложка |
Алюминиевый сплав |
|
9 |
Бампер |
ТПУ |
20 |
Слайд-стол |
Алюминиевый сплав |
10 |
Поршневой шток А |
Углеродный сталь |
21 |
Орех |
Углеродистая сталь |
11 |
Поршневой шток Б |
Нержавеющая сталь |
22 |
Винт |
Углеродистая сталь |
12 |
Тело |
Алюминиевый сплав |
23 |
Винт |
Углеродистая сталь |
24 |
Комбинация слайдов |
сборочный узел |
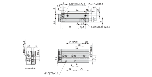
Цилиндр подвижного стола серии HLS (тип с поперечными роликами)внешняя справочная спецификация



Инсульт\элемент |
А |
АБ |
переменного тока |
Джей Би |
Джей Си |
КБ |
ФУНТ |
ЛК |
М |
Н |
Пенсильвания |
ПБ |
р |
10 |
48 |
41,5 |
42 |
20 |
11 |
20 |
25 |
6 |
4 |
2 |
19 |
8 |
21,5 |
20 |
58 |
51,5 |
52 |
20 |
21 |
30 |
35 |
6 |
4 |
2 |
28 |
9 |
31,5 |
30 |
68 |
61,5 |
62 |
20 |
31 |
20 |
20 |
11 |
6 |
3 |
39 |
8 |
41,5 |
40 |
90 |
83,5 |
84 |
30 |
43 |
28 |
30 |
13 |
6 |
3 |
51 |
18 |
51,5 |
50 |
106 |
99,5 |
100 |
48 |
41 |
38 |
24 |
17 |
6 |
4 |
61 |
24 |
61,5 |


