Серия CXSM Двухштоковый цилиндр
Двухштоковый цилиндр серии CXSM Преимущества продукта
1. Высокая точность невращения и низкое отклонение конца штока поршня, что подходит для точной направляющей.
2. В нем используется скользящая поддерживающая направляющая удлиняющего типа. Никакой дополнительной смазки не требуется, и направляющая имеет хорошие характеристики.
3. Монтажные отверстия с трех сторон облегчают многопозиционный монтаж.
4. Хорошая устойчивость к изгибающим и скручивающим моментам.
5. За исключением осевого, каждая сторона цилиндра имеет установочные отверстия, что обеспечивает клиентам несколько способов установки и фиксации.
6. На двух сторонах цилиндра имеются две группы воздухозаборников и выпускных отверстий для фактического выбора. 8. Бампер перед стволом позволяет регулировать ход цилиндра и уменьшать удары. 7. Стандартная конфигурация этой серии имеет магнит, а модель без магнита недоступна.
Подробная информация о двухштоковом цилиндре серии CXSM
Двухвальный цилиндр CXSM имеет компактную и гибкую конструкцию, а диаметр цилиндра доступен в различных спецификациях, поэтому он может удовлетворить потребности различных применений. Кроме того, он отличается высокой точностью вращения, двойным расположением порта, стандартной магнитной индукцией и буферной буферизацией. Резьба двухосного цилиндра CXSM промыта, гладкая и гладкая, а внутреннее отверстие обработано по специальной технологии обработки. Сопротивление трения низкое, а пусковое давление низкое, что может продлить срок службы. Также стоит отметить, что цилиндр может подтверждать состояние магнитного переключателя с четырех сторон, а также можно выбрать осевой трубопровод.
Серия CXSM Внутренняя структура двухстержневого цилиндра
НЕТ. |
Элемент |
Материал |
НЕТ. |
Элемент |
Материал |
||
1 |
Винт |
Углеродистая сталь |
10 |
Поршень |
中6,10 |
СУС304 |
|
2 |
Крепежная пластина |
Алюминиевый сплав |
Другой |
Алюминиевый сплав |
|||
3 |
Бампе |
ПОМ |
11 |
Кольцо износа |
Нейлон 6 |
||
4 |
Винт |
Свободно режущая сталь |
12 |
Задняя обложка |
Алюминиевый сплав |
||
5 |
Орех |
Углеродистая сталь |
13 |
Бампер |
ТПУ |
||
6 |
Поршень |
φ20~32 |
Углеродистая сталь |
14 |
Поршневое уплотнение |
НБР |
|
Другой |
СУС304 |
15 |
Магнит |
φ6,10 |
СУС304 |
||
7 |
C клип |
Стальная пружина |
Другой |
Алюминиевый сплав |
|||
8 |
Передняя обложка |
Алюминиевый сплав |
16 |
Винт |
Углеродистая сталь |
||
9 |
Магнит |
φ32 |
Пластик |
17 |
Тело |
Алюминиевый сплав |
|
Другой |
Спеченный металл |
18 |
Уплотнительное кольцо задней крышки |
НБР |
|||
19 |
Уплотнительное кольцо золотника |
НБР |
|||||
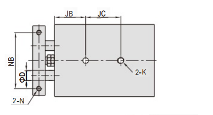
Серия CXSM Двухштоковый цилиндр, внешние эталонные характеристики
Размер отверстия\элемент |
А |
АБ |
переменного тока |
Б |
бакалавр |
С |
Калифорния |
Д |
ДА |
г |
Т НБ |
ДА |
ПБ |
р |
С |
6 |
58,5 |
13,5 |
45 |
37 |
35 |
16 |
14 |
4 |
8 |
16 |
23 28 |
24,5 |
6,5 |
М3×0,5 |
4,5 |
10 |
72 |
17 |
55 |
46 |
44 |
17 |
15 |
6 |
9 |
20 |
36,5 35 |
30 |
8 |
М4×0,7 |
3,5 |
16 |
79 |
19 |
60 |
58 |
56 |
20 |
18 |
8 |
9 |
25 |
46,5 45 |
38 |
8 |
М5×0,8 |
5 |
Размер отверстия\тема JC LC |
|||||||||
Гладить |
10~25 |
30~50 |
60~80 |
90-100 |
125 |
150 |
175 |
200 |
|
6 |
JC=10+Ход/2 |
- |
- |
- |
- |
- |
|||
LC=13+Стрке |
|||||||||
10 |
30 |
40 |
50 |
60 |
- |
||||
16 |
25 |
35 |
45 |
55 |
65 |
75 |
145 |
145 |
|
Размер отверстия\элемент |
Дж |
Джей Би |
К |
||||||
6 |
Одна сторона: φ6,5Dp: 3,5 Сквозное отверстие: φ3,5 |
13 |
"=" |
||||||
10 |
Одна сторона: φ6,5Dp: 3,5 Сквозное отверстие: φ3,5 |
20 |
M4×0,7Сквозная резьба |
||||||
16 |
Одна сторона: φ8,0Dp: 4,5. Сквозное отверстие: φ4,5. |
30 |
M5×0,8Сквозная резьба |
||||||
Размер отверстия\элемент |
л |
ФУНТ |
М |
6 |
М3×0,5Дп:4,5 |
10 |
М3×0,5 |
10 |
М3×0,5Дп:5 |
20 |
М5×0,8 |
16 |
М4×0,7Дп:5 |
30 |
М6×1,0 |






